Rozdzielnica budowlana ERB400A1L na stojaku, licznik energii, IP54, gniazda: 2x CEE 63A, 4x CEE 32A, 8x GS 230V, RBK1
Partnersite
Rozdzielnica budowlana elektryczna model Partnersite ERB 40A1 przeznaczona do zasilania miejsc pracy w trakcie prowadzenia różnych prac budowlanych.
Charakterystyka:
Rozdzielnica budowlana elektryczna model Partnersite ERB 40A1 przeznaczona do zasilania miejsc pracy w trakcie prowadzenia różnych prac budowlanych.
Stojak jest wyposażony w rączki po obu stronach rozdzielnicy. Rozdzielnice może przenosić jedna osoba.
Zalety:
Dostępna jest wersja ERB 40A1L - wersja z licznikiem energii.
Rozdzielnica przelotowa czyli umożliwiająca zrobienie odejścia do kolejnej rozdzielnicy
Parametry techniczne:

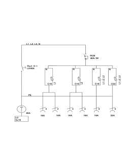
Schemat rozdzielnicy ERB 40A1:

Partnersite Sp. z o.o.
Kopanina 28/32 lokal 133a
60-105 Poznan, Poland
+48 793 105 988
info@partnersite.eu