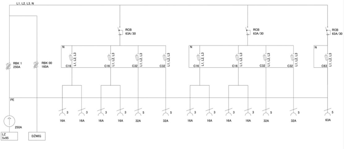
Rozdzielnica budowlana ERB400AC1L na stojaku, licznik energii, IP54, gniazda: 2x CEE 63A, 8x CEE 32A, 6x CEE 16A, 4x GS 230V
Partnersite
Charakterystyka:
Kompaktowe rozdzielnice elektryczne przeznaczone są do zasilania terenu budowy w trakcie prowadzenia prac budowlano wykończeniowych.
Wszystkie gniazda są wyprowadzone poza obudowę rozdzielnicy w celu łatwej wymiany jeśli uległyby zniszczeniu.
Wykorzystany osprzęt:
RBK1 -firmy Apator Polska,
Obudowa firmy Incobex - Polska,
Gniazda siłowe – PCE, Austria,
Gniazda jednofazowe – Sez Słowacja,
Aparatura modułowa- zabezpieczenia – Schrack Technik – Austria (na życzenie klienta),
lub Ideal Kanlux Polska.
Parametry techniczne:

Okablowanie gniazd:
Partnersite Sp. z o.o.
Kopanina 28/32 lokal 133a
60-105 Poznan, Poland
+48 793 105 988
info@partnersite.eu